Wenzhou Joepai Valve Co., Ltd.
Wenzhou Joepai Valve Co., Ltd.
Products

Products

Ductile Iron Fire Fighting Signal Butterfly Valve
  • Ductile Iron Fire Fighting Signal Butterfly ValveDuctile Iron Fire Fighting Signal Butterfly Valve
  • Ductile Iron Fire Fighting Signal Butterfly ValveDuctile Iron Fire Fighting Signal Butterfly Valve

Ductile Iron Fire Fighting Signal Butterfly Valve

The Joepai provided Ductile Iron Fire Fighting Signal Butterfly Valve delivers exceptional performance in commercial and industrial fire protection systems, featuring robust ductile iron construction with corrosion-resistant epoxy coating. These fire fighting butterfly valves integrate an advanced electrical signal device that transmits real-time valve position status to fire control panels, ensuring immediate system monitoring capability. The ductile iron valves have been successfully implemented in hospital complexes, data centers, and high-rise building projects across European and Asian markets.

The JOEPAI Ductile Iron Fire Fighting Signal Butterfly Valve represents the integration of traditional flow control technology with modern monitoring capabilities for comprehensive fire protection systems. These fire fighting signal butterfly valves feature robust ductile iron construction with superior corrosion resistance, making the signal butterfly valves suitable for demanding applications in various environmental conditions. The ductile iron valves incorporate an advanced electrical signaling device that provides real-time valve position status to central fire control panels, ensuring immediate system monitoring and verification. Designed with a compact profile and lightweight construction, the fire fighting butterfly valves facilitate straightforward installation while maintaining exceptional durability and long service life. The innovative design of these signal butterfly valves combines reliable performance with intelligent monitoring capabilities, creating an optimal solution for modern fire protection requirements.

Features

1.Small size and light weight makes it easy to install and maintain. Also it can be installed wherever needed;

2.Simple and compact construction, quick 90 degrees on-off operation;

3.Minimized operating torque, energy saving;

4.Excellent regulation performance and long service life;

5.Can be used for various medium;

6.Can be used as a conditioning and shut-off device on a variety of corrosive, non-corrosive gas, liquid, semi-fluid and solid powder lines and vessels;

7.It is suitable for systems such as petroleum, chemical industry, foodstuff, medicine, papermaking, water supply and so on;

8.Flow curve tending to straight line, excellent regulation performance.

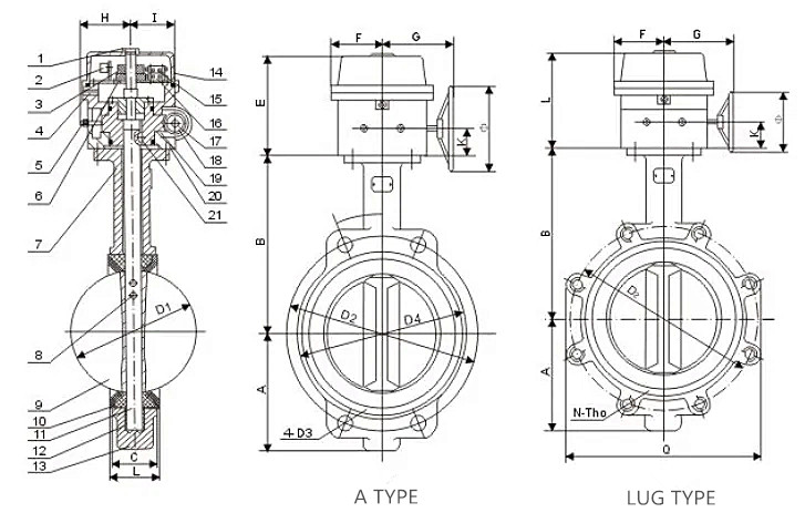
Main Technical Data

Size: DN50-DN300 (2"-12")

Nominal pressure: PN1.0-1.6MPa

Working temperature: 15-150°C

Medium: Fresh water, sewage, seawater, air, steam, food, meatball, etc.

Microswitch capacity: AC, 220V, 1A; DC, 30V, 0.5A

Available Material:Ductile Iron, Cast Iron, Stainless Steel, Carbon Steel, Aliminum Bronze

Ductile Iron Fire Fighting Signal Butterfly Valve

Ductile Iron Fire Fighting Signal Butterfly Valve

Ductile Iron Fire Fighting Signal Butterfly Valve

Pressure and temperature

working pressure

PN10, PN16

testing pressure

shell: 1.5 times rated pressure

seat: 1.1 times rated pressure

working temperature

-10 °C to 80°C (NBR)

-10 °C to 120°C (EPDM)

suitable media

water, oil and gas

Main material list

parts

material

body

cast iron, ductile iron,

seat

EPDM, NBR,VITON, PTFE

disc

nickel ductile iron,AI bronze, stainless steel

stem

carbon steel, stainless steel

bushing

PTFE

"O" ring

PTFE

pin

stainless steel

key

stainless steel

 Executive Standard:

Design Standard

EN 593 , MSS SP67   API 609  BS5155

Inspection & Test

API 598  ISO 5208  EN 12266

End Standard

ANSI B16.1 CL. 125LB & B16.5 CL. 150LB

AS 2129 Table D & E   BS 10 Table D & E

DIN 2501 PN6, PN10 & PN16

EN 1092 PN6, PN10 & PN16

ISO 2531 PN6, PN10 & PN16

ISO 7005 PN6, PN10 & PN16

KS B 1511 / JIS B 2210 5K & 10K

MSS SP44 CL. 150LB  AWWAC207

SABS 1123 Table 1000/3 & Table 1600/3

Face to Face

ISO 5752 , EN 558 , MSS SP67 and API 609  DIN3202

Top Flange

ISO 5211

Ductile Iron Fire Fighting Signal Butterfly Valve


Hot Tags: Ductile Iron Fire Fighting Signal Butterfly Valve
Related Category
Send Inquiry
Contact Info
For inquiries about ball valves, gate valves, globe valves or price list, please leave your email to us and we will be in touch within 24 hours.
X
We use cookies to offer you a better browsing experience, analyze site traffic and personalize content. By using this site, you agree to our use of cookies. Privacy Policy
Reject Accept