Wenzhou Joepai Valve Co., Ltd.
Wenzhou Joepai Valve Co., Ltd.
News

News

JOEPAI Launches New Cost-Effective Stainless Steel 304 Fire Hydrant Valves – Superior Corrosion Resistance Meets AS2419.2 Standards

2026-03-06 0 Leave me a message

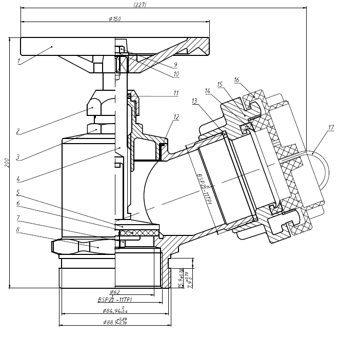
JOEPAI is proud to introduce its latest innovation in fire protection infrastructure: the New Range of Stainless Steel 304 Fire Hydrant Valves. Engineered for durability, compliance, and value, these valves offer a superior alternative to traditional brass models—delivering enhanced corrosion resistance at a more competitive price point.

Designed in accordance with AS/NZS 2419.2:2009, the new hydrant valves are ideal for a wide range of applications, including commercial, industrial, and residential fire systems, particularly in aggressive environments such as marine and mining.


Stainless Steel 304 Fire Hydrant Valves

Product Highlights:

Thread Type: Angled 65mm BSP Forged Storz Adaptor with UV Plastic Cap

Inlet Type: 80mm Roll Grooved

Material Grade: Body, Bonnet, Disc, Nut in CF8 (SS304); Stem in SS316 for enhanced strength

Seal Material: NBR rubber for reliable leak-proof performance

Handwheel: Durable HT200 cast iron

Finish: High-visibility red painted coating

Working Pressure: 1,400 kPa

Hydrostatic Test Pressure: 2,700 kPa

Air Tightness Test Pressure: 800 kPa

Warranty: 12 months


Technical Compliance:

Designed and tested to AS2419.2-2009

Smooth handwheel operation with no jamming after assembly

100% inspected and tested—no defects post hydrostatic and air tightness tests


Why Choose SS304 Over Brass?

Better Corrosion Resistance: Ideal for harsh environments where brass may degrade over time

Cost-Effective: Offers a more affordable solution without compromising on quality or performance

Lightweight Yet Strong: Easier to handle and install while maintaining structural integrity


Other Available Configurations:

65mm NSW Male x 80mm Roll Grooved

65mm CFA Male x 80mm Roll Grooved

65mm QRT Male x 65mm Male BSP

65mm BI x 80mm Roll Grooved

65mm QRT Male x 80mm Roll Grooved

65mm Storz Adaptor x 65mm Male BSP

Whether you're upgrading an existing system or specifying for a new project, JOEPAI’s new SS304 hydrant valves offer the perfect balance of performance, compliance, and affordability.

Contact us today to learn more or request a quote.

Related News
Leave me a message
X
We use cookies to offer you a better browsing experience, analyze site traffic and personalize content. By using this site, you agree to our use of cookies. Privacy Policy
Reject Accept