Wenzhou Joepai Valve Co., Ltd.
Wenzhou Joepai Valve Co., Ltd.
News

News

Know More About Our Angle type Ball Valve

2025-05-30 0 Leave me a message

Technical Content (Precision-Optimized):

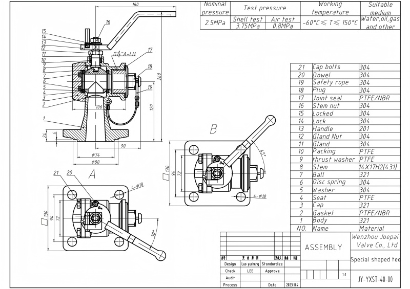
Engineered for liquefied hydrocarbon gas (LPG) tank cars, the NKSh-U21 series Angle type full-bore ball valves deliver uncompromising shut-off performance under TU 3742-002-11812221-2014. With 40-year design life and UKHL1 climate version, these DN40 PN25 valves ensure safety during loading/unloading operations.


Characteristics:

Assigned Service Life: 40 years

Mechanical Endurance: 8,000 operational cycles

Failure Resistance: >1,000 cycles MTBF

Climate Certification: UKHL1 (Russian extreme climate standard)

Sealing Class: GOST R 54808-2011 Class B (industry-leading leakage control)

Pressure Rating: PN25 (25 kg/cm²)

Flow Direction: Bi-directional

Connection: RF flanges per GOST standards



Component Material Grades (GOST):

Body : 12X18N9TL/SS321/SS304 Corrosion-resistant cast steel

Ball : 12X18N10T / CF8 Austenitic stainless

Stem : 14Х17Н2/F304 High-strength martensitic

Seat : Fluoroplastic-4/PTFE Chemical inertness

Seal : Fluoroplastic-4 + Expanded Graphite


Operational Validation:

Drive Type: Manual lever (St20/09G2S handle)

Testing Protocol: Hydrostatic test at 3.8 MPa


Previous :

-

Related News
Leave me a message
X
We use cookies to offer you a better browsing experience, analyze site traffic and personalize content. By using this site, you agree to our use of cookies. Privacy Policy
Reject Accept