Wenzhou Joepai Valve Co., Ltd.
Wenzhou Joepai Valve Co., Ltd.
News

News

Why Our Cost-effective 3-Piece Forged Steel High-pressure Ball Valve is a Good Choice?

2026-01-13 0 Leave me a message

What is a 3-Piece Forged Steel High-Pressure Ball Valve?

A 3-piece forged steel high-pressure ball valve refers to a high-strength ball valve with a three-piece body structure connected by bolts. Its closing element is a precisely machined ball, which is rotated around the valve body's centerline by the valve stem to achieve rapid shut-off, distribution, or flow switching of the medium.


Product Description

3-piece forged steel ball valves are easy to operate, compact, reliably sealed, simple in structure, and easy to maintain. The sealing surface and the ball are always in a closed state, making them less susceptible to erosion by the medium. They are widely used in various industries.

The valve body is formed using a forging process, and the material can be stainless steel (such as F304, F316) or carbon steel (such as A105). Forged steel materials have characteristics such as dense structure, excellent mechanical properties, and strong impact resistance, making them particularly suitable for high-pressure and high-strength working conditions.

According to the needs of the pipeline system, various connection methods can be selected, such as threaded connection(NPT,BSP-P(G),BSPT(Rc)), butt welding(BW), socket weldin(SW)g, or flange connection, offering flexible installation and strong adaptability.

The design pressure can reach up to 1500LB, making it suitable for high-pressure transportation systems in fields such as petroleum, chemical industry, and natural gas.


3-Piece Forged Steel Ball Valve Standards:

1) Design and Manufacturing Standards: BS5351, MSS SP-118

2) Connection End Dimensions: ANSI B16.10, JB/T1715

Socket Weld End Dimensions: ANSI B16.11, JB/T1715

Threaded End Dimensions: ANSI B1.12.1, JB/T7306

Butt Weld End Dimensions: ANSI B16.25, JB/T12224

3) Testing and Inspection: API 598

4) Material Standards: ANSI/ASTM


3-Piece Forged Steel High-pressure Ball Valve


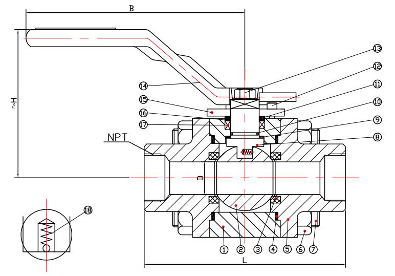
Main Material Table:

No. Part Name Carbon Steel Stainless Steel
1 Body A105 F304 F304L F316 F316L
2 Ball SS304 F304 SS304L SS316 SS316L
3 Seat PTFE、RPTFE
4 Gasket SS304/SS316 + Graphite
5 Cap A105 F304 F304L F316 F316L
6 Nut A194-2H A194-8 A194-8M
7 Bolt A193-B7 A193-B8 A193-B8M
8 Stem SS304 F304 SS304L SS316 SS316L
9 Thrust Washer PTFE、RPTFE
10 O-ring Viton
11 Gland SS304 SS304 SS304 SS316 SS316
12 Bolt 1035
13 Nut Stainless Steel
14 Handle WCB、Stainless Steel
15 Limited Plate 1025
16 Prevent Fire Ring SS304、SS316
17 Packing Graphite
18 Spring SS304、SS316


Main Dimensions Table:

DN mm NPS(Inch) L mm D mm H mm
15 1/2” 92 13 66
20 3/4” 112 19 72
25 1” 126 24 100
32 11/4” 129 30 105
40 11/2” 152 38 112
50 2” 176 49 122


3-Piece Forged Steel High-pressure Ball Valve3-Piece Forged Steel High-pressure Ball Valve3-Piece Forged Steel High-pressure Ball Valve3-Piece Forged Steel High-pressure Ball Valve



Professional Manufacturing Guarantee – Wenzhou Joepai Valve Co., Ltd.

As a company specializing in the research, development, and manufacturing of stainless steel and carbon steel ball valves, Wenzhou Joepai Valve Co., Ltd. is located in the Binhai Industrial Park of Longwan District, Wenzhou, known as "China's Valve City." The company boasts a modern production base and a comprehensive quality control system. The company is equipped with:

Professional R&D center and CNC machining equipments

Advanced testing instruments (such as computer multi-element analysis instruments, Leeb hardness testers, and thickness gauges)

Pressure testing machines, life cycle testing machines, and other full-process testing platforms

Relying on rigorous processes and continuous innovation, Joepai Valve ensures that every 3PC forged steel high-pressure ball valve meets high-standard performance requirements, providing customers with safe, reliable, and durable valve solutions.


Related News
Leave me a message
X
We use cookies to offer you a better browsing experience, analyze site traffic and personalize content. By using this site, you agree to our use of cookies. Privacy Policy
Reject Accept